扫码访问商品

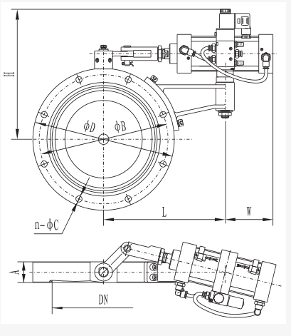
GIQ型系列气动高真空蝶阀适用于高真空系统中用来接通或截止气流之用。该阀以压缩空气为动力,通过电磁换向阀改变气路方向,并执行气缸推动,使固定在转动轴上的阀板旋转90°实现阀门的开启和关闭。
适用的工作介质为空气及非腐蚀性气体。





温 州奥斯科阀门科技有限公司,地处泵阀制造云集的“中国泵阀之乡”——温州瓯北,是一家专门从事真空阀门、真空阀,真空 配件的研发、制造和销售于一体的专业型阀门企业。真空阀门系列有真空蝶阀、真空球阀、真空挡板阀、电磁真空带充气阀、电磁高真空挡板阀、电磁高真空充气 阀、高真空球阀、高真空微调阀、高真空挡板阀、高真空隔膜阀、高真空蝶阀、高真空插板阀、超高真空插板阀。


支付宝签约商家
100%原产地
七天退货保障
满98元包邮
400城市送货上门





