欢迎来到易真空网
请 登录
|
免费注册
我的订单
◇
待付款订单
待发货订单
待评价订单
|
我的收藏
商品收藏
店铺收藏
|
客户服务
帮助中心
售后服务
常见问题
功能反馈
|
招商合作
商家入驻
供货商入驻
|
管理中心
◇
商家登录
供货商登录
搜
商品
店铺
搜索
真空泵
|
检漏仪
|
真空阀门
|
二手真空泵
|
真空泵油
|
真空镀膜
|
真空炉
我的购物车
0
全部商品分类
品牌真空泵/原装进口
品牌真空泵/中国制造
真空泵代理商/经销商
真空泵零件/配件
真空泵油品/油脂
标准真空泵组
真空测量/检漏仪
真空泵维修
二手真空泵交流
真空产品附件/配套件
真空设备
真空泵电机
真空发生器/真空电源
毛坯/铸造/原材料
单级旋片真空泵
>
阿特拉斯真空泵
普旭R5旋片真空泵
莱宝SV单级真空泵
昌洲单级旋片真空泵
爱德华单级旋片真空泵
普发单级旋片真空泵
里其乐单级旋片真空泵
贝壳单级旋片真空泵
世博单级旋片真空泵
双级旋片真空泵
>
莱宝双级旋片真空泵
爱德华双级旋片真空泵
普发双级旋片真空泵
爱发科双级旋片真空泵
安捷伦双级旋片真空泵
世博双级旋片真空泵
昌洲双级旋片真空泵
罗茨真空泵
>
世博罗茨真空泵
普发罗茨真空泵
莱宝罗茨真空泵
爱德华罗茨真空泵
昌洲罗茨真空泵
螺杆真空泵
>
普旭螺杆真空泵
世博螺杆真空泵
普发螺杆真空泵
爱德华螺杆真空泵
汉钟螺杆真空泵
莱宝螺杆真空泵
昌洲螺杆真空泵
东方螺杆真空泵
滑阀泵
>
普发滑阀真空泵
凯尼滑阀真空泵
滑阀真空泵待定1
滑阀真空泵待定2
滑阀真空泵待定3
扩散真空泵
>
莱宝扩散真空泵
普发扩散真空泵
爱德华扩散真空泵
扩散真空泵待定1
分子泵
>
普发分子泵
安捷伦分子泵
涡旋真空泵
>
薄膜真空泵
>
水汽捕集泵
>
爪式真空泵
>
活塞真空泵
>
测流真空泵
>
水环真空泵
>
往复真空泵
>
离子真空泵
>
真空发生器
>
单级旋片真空泵
>
双级旋片真空泵
>
罗茨真空泵
>
螺杆真空泵
>
滑阀泵
>
空缺1
空缺2
空缺3
空缺4
空缺5
空缺6
扩散真空泵
>
分子泵
>
涡旋真空泵
>
薄膜真空泵
>
水汽捕集泵
>
爪式真空泵
>
活塞真空泵
>
测流真空泵
>
水环真空泵
>
往复真空泵
>
离子泵钛合金泵
>
其他真空泵
>
旋片真空泵
>
单级旋片真空泵
双极旋片真空泵
罗茨真空泵
>
螺杆真空泵
>
扩散泵
>
分子泵
>
检漏仪
>
其他真空泵
>
真空泵密封包
>
真空泵大修包
>
莱宝大修包
爱德华大修包
贝克大修包
普旭大修包
凯尼大修包
荏原大修包
爱发科大修包
普发大修包
里其乐大修包
斯托克斯大修包
瓦里安大修包
阿尔卡特大修包
其他大修包
转子缸体端盖箱体支架
>
真空泵转子
真空泵缸体
真空泵端盖
真空泵其他加工件
轴承轴套
>
莱宝真空泵轴承
普旭真空泵轴承
贝壳真空泵轴承
里其乐真空泵轴承
其他真空泵轴承
叶片
>
普旭R5叶片
莱宝真空泵叶片
里其乐真空泵叶片
爱德华真空泵叶片
爱发科真空泵叶片
贝壳真空泵叶片
其他真空泵叶片
过滤器
>
进气过滤器
油过滤器
莱宝排气过滤器
普旭排气过滤器
爱德华排气过滤器
普发排气过滤器
里其乐排气过滤器
贝克排气过滤器
真空泵排气过滤器(其他)
其他零配件
>
旋片真空油
>
莱宝真空泵油
普旭真空泵油
爱德华真空泵油
里其乐真空泵油
爱发科真空泵油
贝克真空泵油
普发真空泵油
其他真空泵油
高低真空密封脂
>
高真空硅脂
真空脂
空缺1
其他
罗茨真空泵油
>
莱宝罗茨真空泵油
爱德华罗茨真空泵油
普发罗茨真空泵油
罗茨真空泵油空缺1
罗茨真空泵油空缺2
其他真空泵油
真空淬火油
>
真空淬火油1
真空淬火油2
淬火油3
淬火油4
特殊真空泵油
>
扩散泵油
>
分子泵油
>
氟油
>
真空泵站
>
1真空泵-1罐
n真空泵-1罐
2真空泵-1罐
1真空泵-罗茨-1罐
其它泵站
油泵前级+罗茨泵组
>
单级+罗茨泵
双极+罗茨泵
螺杆真空泵+罗茨泵
>
静宜螺杆泵组
莱宝螺杆泵组
爱德华螺杆泵组
其他泵组
>
空缺1
空缺2
空缺3
检漏仪
>
静宜真空检漏仪
华尔升检漏仪
普发检漏仪
安徽诺益
安徽哥博科技
莱宝检漏仪
英福康检漏仪
自动压强控制仪
>
控制仪A
控制仪B
控制仪C
控制仪D
控制仪E
热偶真空计
>
真空计1
真空计2
真空计3
真空计4
真空计5
电子数字显示表
>
显示表1
显示表2
显示表3
显示表4
显示表5
真空薄膜计
>
薄膜计1
薄膜计2
薄膜计3
薄膜计4
薄膜计5
便携式真空表
>
指针真空表
>
旋片真空泵维修
>
莱宝真空泵维修
爱德华真空泵维修
普旭真空泵维修
爱发科真空泵维修
里其乐真空泵维修
贝壳真空泵维修
普发真空泵维修
其他旋片真空泵
罗茨真空泵维修
>
莱宝罗茨真空泵维修
普发罗茨真空泵维修
普旭罗茨真空泵维修
爱德华罗茨真空泵维修
其它罗茨真空泵维修
分子泵维修
>
爱德华分子泵维修
莱宝分子泵维修
普发分子泵维修
岛津分子泵维修
螺杆泵维修
>
爱德华螺杆真空泵维修
莱宝螺杆真空泵维修
普旭螺杆真空泵维修
普发螺杆真空泵维修
其它螺杆真空泵维修
其他真空泵维修
>
涡旋真空泵维修
水环真空泵维修
扩散真空泵维修
爪式真空泵维修
其它真空泵维修
未大修进口真空泵D
>
旋片真空泵
罗茨真空泵
分子泵
其他真空泵
已大修进口真空泵ABC
>
旋片真空泵
罗茨真空泵
螺杆真空泵(已大修)
分子泵
涡旋真空泵
其他真空泵检漏仪
报废进口真空泵E
>
旋片真空泵
罗茨真空泵
分子泵
其他真空泵及产品
国产二手真空泵F
>
真空阀门
>
低真空阀门
高真空阀门
超高真空阀门
非金属阀门
真空腔
>
方型真空腔
圆型真空腔
其他多型真空腔
真空箱/罐/炉
>
真空罐
真空箱
真空炉
其他真空腔室
真空连接件
>
波纹管
法兰件
标准接头
密封/支架/卡箍
真空吸盘
>
电气控制
>
功率调节器
软启动器
控制系统
控制柜
等离子
>
真空炉
>
真空镀膜
>
玻璃镀膜
蒸发镀膜
光学镀膜
磁控镀膜
多弧离子镀膜
真空自动化生产线
>
科研
>
科研1
科研2
科研3
真空包装机
>
普旭电机
>
R5旋片真空泵电机
罗茨真空泵电机
螺杆真空泵电机
莱宝电机
>
单级旋片真空泵电机
双极旋片真空泵电机
其他真空泵电机
爱德华电机
>
单级旋片真空泵电机
双极旋片真空泵电机
罗茨真空泵电机
其他真空泵电机
其他真空泵电机
>
真空泵电机A
真空泵电机B
真空泵电机C
真空泵电机D
真空泵电机E
真空电源
>
真空发生器
>
毛坯铸造件
>
原材料
>
首页
研究所
维修工厂
视频街
店铺街
真空优选
自营商城
厂商合作
手册图纸
真空资讯
行业资讯
首页
品牌真空泵/原装进口
品牌真空泵/原装进口
品牌真空泵/中国制造
真空泵代理商/经销商
真空泵零件/配件
真空泵油品/油脂
标准真空泵组
真空测量/检漏仪
真空泵维修
二手真空泵交流
真空产品附件/配套件
真空设备
真空泵电机
真空发生器/真空电源
毛坯/铸造/原材料
双级旋片真空泵
单级旋片真空泵
双级旋片真空泵
罗茨真空泵
螺杆真空泵
滑阀泵
扩散真空泵
分子泵
涡旋真空泵
薄膜真空泵
水汽捕集泵
爪式真空泵
活塞真空泵
测流真空泵
水环真空泵
往复真空泵
离子真空泵
真空发生器
莱宝双级旋片真空泵
莱宝双级旋片真空泵
爱德华双级旋片真空泵
普发双级旋片真空泵
爱发科双级旋片真空泵
安捷伦双级旋片真空泵
世博双级旋片真空泵
昌洲双级旋片真空泵
莱宝双极真空泵D16C
<
>
关注商品
对比
举报
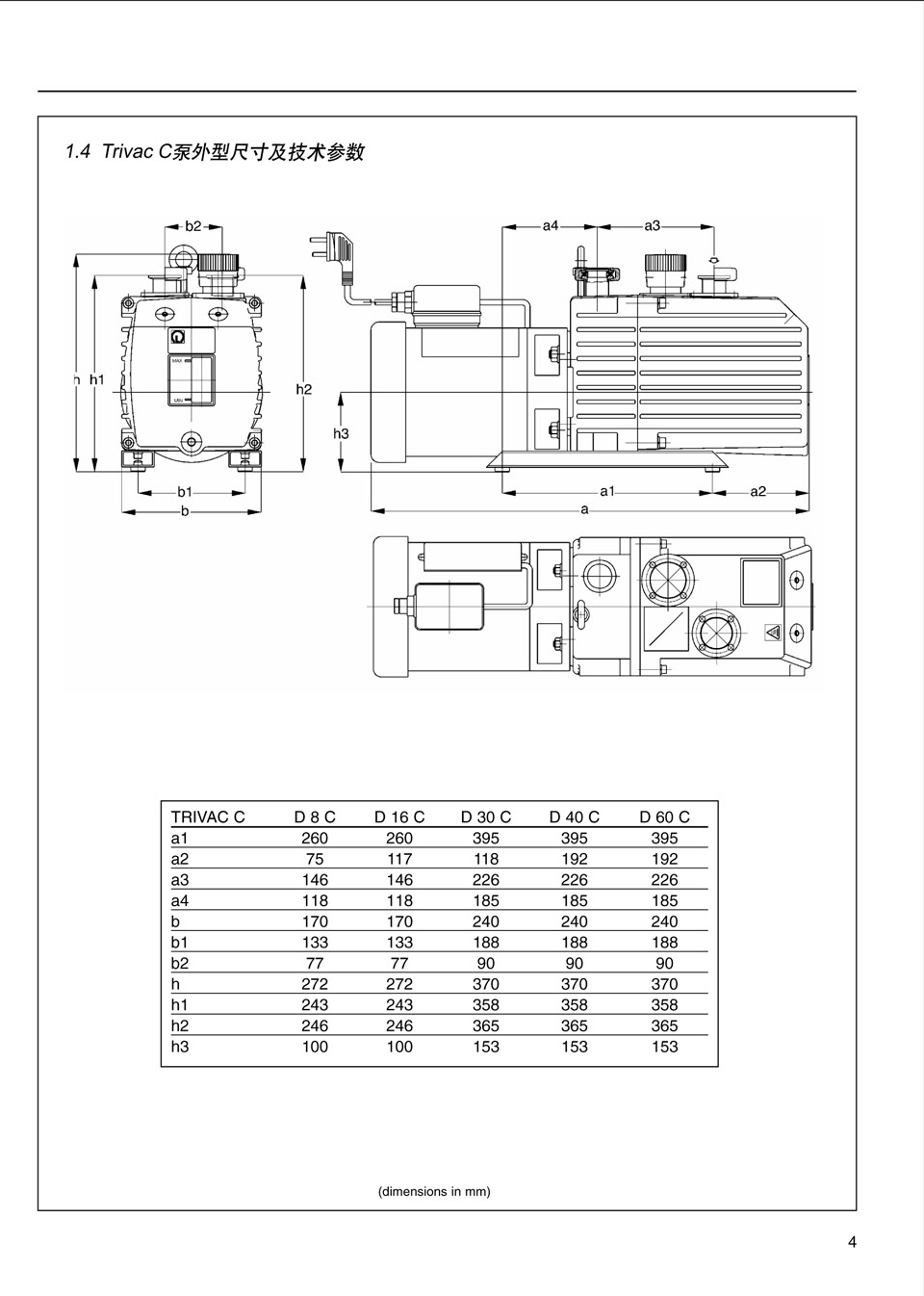
莱宝双极真空泵D16C
莱宝双极旋片真空泵D16C
市 场 价
¥9800.00
价 格
¥
8800.00
销 量
0
累计评价
0
商品评分
促 销
货期
1-2周
数 量
-
+
(库存:
0
台)
服 务
服务由
静宜真空
发货并提供 售后服务。
加入购物车
立即购买
看了又看
¥8800.00
¥8800.00
¥88888.00
静宜真空
店主:杨丹
联系:
地址:天津市北辰区津围公路东
描述
5
服务
5
物流
5
猜你喜欢
CZQ-80高压气淬真空炉
¥530000.00
¥550000.00
CZQ2-40双室油淬气冷真空炉
¥338000.00
¥358000.00
小型风冷螺杆真空泵WIN048S-艾思拓真空
¥35000.00
¥40000.00
热销商品
普发真空泵油A120
¥1400.00
¥1500.00
莱宝真空泵SV300BSV200SV100B
¥31000.00
¥48800.00
莱宝SV100B真空泵
¥11890.00
¥15846.00
商品介绍
商品评价
(0)
商品咨询
手机购买
扫码访问商品
立即购买
莱宝双极旋片真空泵D16C
好评度
0
%
好评(
0
%)
中评(
0
%)
差评(
0
%)
全部
商品咨询
库存配送
支付
发票保修
温馨提示:因每位咨询者购买情况、咨询时间等不同,以下回复对咨询者3天内有效,其他网友仅供参考。
搜索
发表咨询
声明:您可在购买前对产品包装、颜色、运输、库存等方面进行咨询,我们有专人进行回复!因厂家随时会更改一些产品的包装、颜色、产地等参数,所以该回复仅在当时对提问者有效,其他网友仅供参考!咨询回复的工作时间为:周一至周五,9:00至18:00,请耐心等待工作人员回复。
咨询类型:
商品咨询
库存配送
支付
发票保修
咨询内容:
提交
对比栏
关闭
对比
清空
购物车
还没有登录,登录后商品将被保存
登录
我的关注
我的足迹
购物车
我的关注
0
我的足迹
我的消息
反馈