扫码访问商品
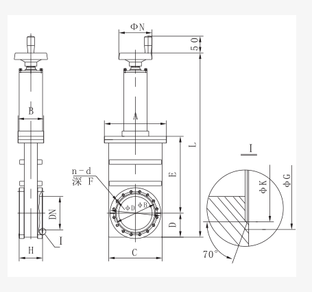
CC型系列超高真空插板阀是通过手轮以螺杆传动,经传动杆推(拉)动连杆机构,驱动阀板沿轴向运动,实现阀门的开启或关闭,从而达到在超高真空系统中接通或切断气流的目的。在结构设计上合理,在外观上美观,并具有动作平稳,体积小,流量大,使用可靠,密封性能好和寿命长等优点,能广泛应用于超高真空设备中。
适用的工作介质为洁净的空气及非腐蚀性气体。
支付宝签约商家
100%原产地
七天退货保障
满98元包邮
400城市送货上门





